搜索
《智能建筑电气技术》2010年第5期-浅谈国家会议中心数字会议系统设计与建设
- 发布时间:2010-11-04
详情
|
叶冬茂
|
||||||
|
《智能建筑电气技术》2010年10月第4卷第5期
|
||||||
|
[摘要]介绍了国家会议中心会议系统工程的技术要求及贵宾接待厅数字红外无线会议系统、400人报告厅扶手嵌入式数字会议系统和5500人大会堂数字红外语言分配系统的设计与实施。
[关键词] 无线会议系统;数字红外无线会议系统;数字红外语言分配系统;数字会议系统;国家会议中心 |
||||||
|
|
||||||
|
1 工程概况
气势宏伟的国家会议中心位于北京奥林匹克公园中心区,总建筑面积53万平方米,会议中心主体建筑面积27万平方米,功能齐全,设施先进,将是中国最大、最先进的会议中心。最大的会议厅可容纳6,000人,大宴会厅可举办3,500人的宴会,展览面积2.4万平方米,另有将近100个各种面积的会议室,可满足各类会议、展览和大型活动的需求。 2 总体要求 1)为保证系统的稳定性和可靠性,会议即席发言和表决与同声传译系统均要求为数字系统。系统的的处理设备采用数字化设备,设备高度集成化。 2)系统应配置多种保护措施。在重要场合下,流动即席发言设备必须可以灵活组成两套及以上的会议系统链路共同使用。一旦一个链路出现故障,其它链路(热备份)仍能继续工作并保证对声音重放没有中断或明显跳动。重要会议厅及大型会议厅须搭建“双机热备份”系统,“双击热备份”包含系统主机、系统软件及线缆链路。 3)音频设备须能抗静电8000V以上。北方气候比较干燥,容易产生静电,人触摸到话筒、即席发言单元、数字式调音台等一些音频设备后,容易产生杂音,后果严重的话可导致一些音频设备死机,造成系统瘫痪。 4)由于同类型会议室较多,系统搭建须遵循资源共享原则,以提高设备利用率、达到节能环保目的。如,大量的中小型会议室,宜采用无线设备,终端话筒实现共享;多个具有同传功能的厅堂,宜共享无线接收机。 5)无线系统须重点考虑到抗干扰及防窃听问题。红外同传须采用数字红外系统。 6)专用用途会议厅,宜采用固定式安装的系统,利于系统的稳定性。 7)系统设备的安装应牢固可靠,保证安全。 3 主要厅堂系统结构与配置 3.1 5500人大会堂 大会堂位于国家会议中心4~6层,面积为6400平方米(80米×80米),高12米。会堂中间可加隔板分开为两区,大会堂一区面积为3,600平方米,二区面积为2,800平方米。目前国内最大的会议厅堂,主要用于召开超大型国际会议。所需要实现的主要功能为会议发言和同声传译。 |
||||||
![]() |
||||||
|
图1 5500人大会堂
|
||||||
|
||||||
|
(3)由于厅堂可一分为二,系统搭建则要求红外信号发射必须能分区控制。
(4)接收机共享问题。接收机数量多少,应按照整个会议中心具备红外同传功能的席位来考虑,一般按照所有席位的50%左右,然后根据用户实际情况定,但最好不要按照某一个厅堂的席位为基数。 (5)前瞻性考虑。任何项目新建都要求能保证一个长时间不落伍,或者要求能简单追加设备,无需大量更换即可升级系统,以满足未来发展的需求。在同传系统里,数字红外传输的系统在未来5年内都不会出现换代产品,主要是在应用层面上的升级了,目前语种的增加则成为国际会议发展的一个主要方向。同传系统主要成本在于接收机,如果将来涉及接收机全部淘汰的话,损失较大。所以,建议前期选用的接收机通道数尽可能的冗余,此时冗余的成本较后期全部淘汰而言少很多。 2)设备选型及主要配置 系统选用金年会电子游戏app HCS-5100系列数字红外同声传译系统及HCS-4100系列带同传功能的发言单元。 系统搭建8+1同声传译系统,采用红外辐射传输系统,共配置2500套32通道数字红外接收机;系统中主机只配置两台,其中一台可挪用至流动系统,实现分区控制。以屋顶式安装30台HCS-5100T/35 数字红外辐射单元,利用层高较高的实际环境,采用了吊顶集中布置方式,大大降低了施工布线量。配置了16台HCS-4385K/20全数字化翻译单元,满足每语种两名翻译人员的需求(国际标准要求)。带同传的发言单元,利用其他流动系统的配置,实现资源共享。另,配置了相应的管理软件和附件,组成了本厅堂的同传系统。 3)系统原理图(大会堂会议系统原理图见图3) |
||||||
![]() |
||||||
|
图3 大会堂会议系统原理图
|
||||||
|
||||||
|
3.2 3000人宴会厅
大宴会厅是一个可灵活布置的一个超大多功能厅,并可一分为三。此类厅堂的会议系统应该考虑发言、同传即可。与上述中华厅相似,区别在于一个基本固定式席位,一个是完全灵活布置席位。 设计要点也与中华厅类似。在设备配置上,遵循资源共享原则,占设备成本较大的红外接收机则不再单独配置,只需要将系统发射主机、翻译员单元及红外辐射单元配备完整,并通过布线实现可分区控制即可。红外接收机则中华厅共同调配使用。 灵活布置且用量不大的带同传功能的发言话筒也可与其他系统共享使用。 特点:充分体现资源共享,降低建设成本,提高设备利用率,节能环保。 3.3 400人报告厅 报告厅位于国家会议中心3~5层,呈阶梯式,面积近1000平米(45米×22米),高24米,是召开各种论坛、学术报告及新闻发布的重要国际会议场所。 |
||||||
![]() |
||||||
|
图5 400人报告厅
|
||||||
|
1)设计要点
(1)由于此厅堂席位固定,且会议功能固定,所以应该设计与席位一一对应的嵌入式有线系统; (2)会议类型多为:论坛、学术报告、新闻发布,所以会议系统的使用会出现主席台发言、台下提问,电子表决,且会议多有国际性会议。因此在会议系统功能上应设计发言、同传、表决(含报到系统); 2)设备选型及主要配置 采用金年会电子游戏app HCS-4100系列全数字会议系统,共设计安装418席HCS-4100/20系列全数字会议系统,其中20人全功能单元(发言、有线同声传译、表决)设置于主席台桌面上;HCS-4320/20全功能扶手嵌入式会议单元396席,安装于座椅的扶手上,具有发言、有线同声传译、电子表决、报到等功能。门口大厅出入口配置三套远距离会议签到机及相应的电脑等设备,可同时在三个入口处实施与会代表签到。系统中主机固定配置两台,搭建双机热备份系统,其中备份机可参与加入流动系统。与翻译单元等其他设备配合,实现发言、5+1有线同传、电子表决、报到功能。 |
||||||
|
||||||
|
系统还配置了金年会电子游戏app HCS-4100会议管理系统软件,包括基础设置软件模块、话筒控制软件模块、同声传译软件模块、系统主机双机热备份软件、控制电脑双机热备份软件、表决软件模块,以及会议签到管理软件服务器端、会议签到管理软件客户端等。
3)系统原理图(参见图8) |
||||||
|
|
||||||
|
图8 400人报告厅系统原理图(虚线框中的设备来自其他会议室的流动设备)
|
||||||
|
4)特点
(1)设计紧贴会议现场及使用情况,采用全嵌入式系统,与席位座椅紧密配合,建成后系统稳定可靠; (2)系统先进性强,通过系统设备,改善了会议进程。以往的发布会、论坛、学术报告研讨会的台下发言提问一般采用无线手持话筒,由发问者举手,主持人点名,工作人员传递话筒。随着会议需求的发展,这个过程略显复杂麻烦了,也不利于会议现场的气氛。这套新的系统应可以满足让每个席位都有发言、同传、表决的单元,需要发问者,按下按键即可申请发言,主持人通过软件可以清楚的看到哪个席位什么人在申请发问,主持人可根据现场情况,激活任一申请者的话筒,轻松驾驭会议进程。 (3)由于采用的是全数字会议系统,所有的这些功能都在一根6芯线缆上传输完成,完全不必要担心由于功能的复杂而带来布线的复杂。 3.4 贵宾接待厅及高级会议室同传系统 贵宾接待厅位于国家会议中心1层,共3间,每间会议室的面积约600平方米,高6.5米。贵宾接待厅作为接见重要客户及召开高质量会议的场所。另,高级会议室10间。 |
||||||
![]() |
||||||
|
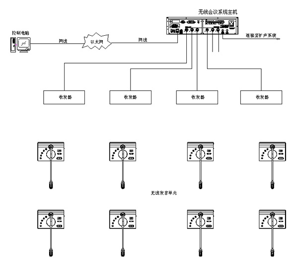
图9 贵宾接待厅
|
||||||
|
1)设计要点
(1)此类对于会议系统的音频性能及设备安装布置的要求很高。贵宾接待厅及高级会议室的会场都是灵活布置,可能有多种形式,因此,采用无线会议系统,布置方便,整洁美观。 (2)在采用无线会议系统时,须重点考虑保密及抗干扰问题,目前市场上有红外和2.4G(RF)两种方式的无线会议系统。由于2.4G(RF)方式的系统容易受到其他RF系统的干扰,如现场的手机信号屏蔽器、无线局域网、蓝牙、对内通讲系统、手机、无线手持话筒等等,另外,由于会议室数量众多,多套2.4G(RF)方式的会议系统同时使用也会产生影响。所以本方案采用数字红外无线会议系统。 (3)利用无线单元的流动性,可将其总数量减少配置,无需每个席位配置一个单元。在每个会议室布置好相应的红外收发器即可。根据会议的实际情况,临时将相应的单元数量按照实际摆放情况布置在会场。 2)设备选型及主要配置 系统采用金年会电子游戏app HCS-5300系列数字红外无线会议系统。贵宾接待厅3间及高级会议室1间,每个房间均敷设了数字红外收发器,精巧美观,与天花板完美融合;此13间会议室共配置 HCS-5300C_S/HCS-5300D_S数字红外无线单元63席;并配备了HCS-5310/10基础设置软件模块和HCS-5313/10话筒控制软件模块。 |
||||||
|
||||||
| 3)系统原理图(间图12) | ||||||
|
|
||||||
|
图12 贵宾接待厅会议系统原理图
|
||||||
|
4)特点
(1)所采用的HCS-5300数字红外无线会议系统是市场上最新罪先进的无线会议系统,市场上除了2.4GHz之外,还有一些模拟红外无线会议系统。模拟系统的音质较差,其频响范围只能达到4KHz(4KHz相当于普通电话机音质),距离专业音响范畴想去甚远,且抗干扰性能也远低于数字系统。数字系统将语音信号和数据进行数字编码、数字调制,然后利用红外线进行传输,可以实现多路语音信号和数据的双向传输与控制,集数字化、无线化和红外传输技术的优势于一体,是目前市场上理想的会议系统无线化解决方案。 (2)数字红外传输系统抗干扰性强,保密性强。避免了2.4GHz系统由于无线电资源紧缺,个系统相互抢资源而造成的干扰;同时也避免了由于2.4GHz可穿墙而造成的泄密问题。 (3)充分利用了无线系统的灵活便利,通过少量的单元即可满足布置多变的、大量席位的会议室群的会议使用要求。 3.5 中小型会议室(70间) 会议中心除了上述大型高档会议厅堂外,还有大量的普通中小型会议室,满足各类小型会议的需求。 |
||||||
![]() |
||||||
|
图13 中小型会议室
|
||||||
|
1)设计要点
(1)基于成本考虑,宜采用有线系统;单元尽量采用与其他会议室可共用的类型。 (2)由于会议室数量众多,尽量通过布线使得资源共享,即从机房将各类接口引至会议室侧墙,根据会议实际需要将实际数量的会议单元连接至侧墙接口,实现会议系统功能。 2)设备选型及主要配置 采用金年会电子游戏app HCS-4100系列全数字会议系统,HCS-4386C/D,带LCD屏显示,充分体现国家会议中心的档次。 4 系统指标 4.1 数字发言讨论系统 1)系统采用全数字音频传输及控制技术,确保优秀的音质,符合IEC60914及标准; 2)系统利用以太网接口,使用TCP/IP协议通信; 3)发言系统语音总谐波失真:<0.05%; 4)频率响应:100Hz-16kHz; 5)线路输出信噪比 >90dB; 6)系统总功率消耗:≤5000W; 7)话筒类型:驻极体心型指向性; 8)话筒灵敏度:-46dBv/Pa; 9)话筒最大声压级:110dB; 10)话筒等效噪音:App. 20dB SPL; 11)话筒前后比:>20dB @1kHz; 4.2 红外同声传译系统 1)数字红外系统,符合国标GB50524-2010及国际标准IEC 61603-7; 2)数字红外系统采用2~8MHz高频段,具备不受高频驱动光源干扰功能; 3)调制方式:DQPSK(数字) 4)频率响应:20-20KHz 5)串音衰减:(1KHz) > 80dB 4.3 高速电子表决系统 4.3.1 表决系统 1)表决数据处理速率达到100Mps,会议主机与控制电脑间通过以太网通讯; 2)表决系统必须支持双机热备份功能,在会议任意进程中(特别是表决时),若主控设备出现异常状况,备用设备可以进行自动热切换,会议恢复正常时间不超过5秒,不会造成数据丢失,保障正常的会议进程不间断,切换全程无需人工干预。 4.3.2 报到系统 1)配合表决系统,在会议厅入口大厅报到机,搭建报到系统,与表决系统联动,进行人员身份确认及人数统计;报到的信息须通过地面插座传送回中控机房报到系统服务器,同时报到的信息需在此处有即时显示。 2)所有报到系统可单独使用,亦可联网使用; 3)采用远距离非接触式IC卡报到系统,报到机检测门之间的有效距离不小于1.2米; 4.4 红外无线会议系统 1)数字红外系统,须符合国标GB50524-2010及国际标准IEC 61603-7; 2)系统利用以太网接口,与控制软件使用TCP/IP协议通信; 3)数字红外收发距离不小于10米; 4)频率响应:20Hz-20kHz; 5)信噪比:≥80dBA; 6)总谐波失真:≤0.05%; 7)话筒类型:驻极体心型指向性; 8)话筒灵敏度:-46dBv/Pa; 9)话筒最大声压级:125dB(THD<3%); 10)话筒等效噪音:App. 20dB SPL; 11)话筒前后比:>20dB @1kHz; 5 结束语 国家会议中心是国内目前投资规模最大、最先进的会议中心,也是世界一流水平的大型会展中心。其数字会议系统单项建设规模也是目前国内最大的一个项目。不管从设备数量、应用到的子系统、应用到的会议功能等各方面来说,都是首屈一指的。 由于该场所的高档次,系统的先进性从一开始就是指导思想,但是此项目从设计到深化设计到施工,除了先进性,更是处处体现了紧扣会议现场环境、会议室将来的使用规划的实用性。同时,节能环保,更是当前社会的一个大主题,建设规模如此大的一个会议中心,节能环保更是设计建设者的重中之重。国家会议中心数字会议系统的设计建设无论从先进性、实用性、节能环保方面都做了充分的考虑,同时也保证了全系统的完整,堪称近年数字会议系统项目的经典。 |
||||||
|
|
||||||
版权所有© 2023 金年会电子游戏app。保留一切权利。 皖ICP备18002221号-3












